法蘭升降式止回閥
法蘭升降式止回閥的主要結構特點:
1、選材考究,符合國內、外相關標準,材料的全面質量高。
2、法蘭升降式止回閥的密封副配對先進合理,閥瓣、閥座密封面采用鐵基合金或司太立(Stellite)鈷基硬質合金堆焊面成,耐磨、耐高溫、耐腐蝕、抗擦傷性能好,使用壽命長。
3、法蘭升降式止回閥按國家標準GB/T12235設計制造。
4、可采用各種配管法蘭標準及法蘭密封型式,滿足各種工程需要及用戶要求。
5、閥體材料品種齊全,墊片可根據實際工況或用戶要求合理選配,能適用于各種壓力、溫度及介質工況。可按用戶要求設計制造不同結構形式和連接形式的止回閥,為各種設備配套使用。
上海賽泰閥門有限公司生產的法蘭升降式止回閥適用于公稱壓力PN1.6~6.4MPa,工作溫度-29~550℃的石油、化工、火力電站等各種工況的管路上。適用介質為:水、油品、蒸汽等。

H41W/H/Y型PN2.5-10.0MPa 法蘭升降式止回閥

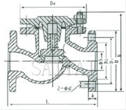
H41W/H/Y型PN2.5-10.0MPa 法蘭升降式止回閥外形尺寸圖
主要性能規范:
| 型號 | 公稱壓力 PN(MPa) |
試驗壓力P3(MPa) | 適用溫度(℃) | 適用介質 | ||
| 密封 | 氣密封 | 殼體 | ||||
| H41Y-25I | 2.5 | 2.75 | 0.6 | 3.75 | ≤550 | 蒸汽、水、 油品等 |
| H41Y-40I | 4.0 | 4.4 | 0.6 | 6.0 | ||
| H41Y-64I | 6.4 | 7.04 | 0.6 | 9.6 | ||
| H41Y-100I | 10.0 | 11.0 | 0.6 | 15.0 | ||
| H41Y-25P | 2.5 | 2.75 | 0.6 | 3.75 | ≤150 | 弱腐蝕性 介質 |
| H41Y-40P | 4.0 | 4.4 | 0.6 | 6.0 | ||
| H41Y-64P | 6.4 | 7.04 | 0.6 | 9.6 | ||
| H41Y-100P | 10.0 | 11.0 | 0.6 | 15.0 | ||
主要零件材料:
| 零件名稱 | 閥體、閥蓋、閥瓣 | 閥體、閥瓣密封面 | 墊片 | 螺栓 | |
| 材料 | I | 鉻鉬鋼 | 硬質合金 | 不銹鋼纏繞式墊片 | 35鉻鉬鋼 |
| P | 鉻鎳鈦不銹鋼 | 硬質合金 | 聚四氟乙稀 | 不銹鋼 | |
主要尺寸及重量:
| 公稱通徑 DN(?L) | 尺寸(?L) | 重量 (?K) | ||||||||
| L | D | D1 | D2 | b | f | Z-фd | H | D3 | ||
| 15 | 130 | 95 | 65 | 45 | 16 | 2 | 4-ф14 | 100 | - | 5 |
| 20 | 150 | 105 | 75 | 55 | 16 | 2 | 4-ф14 | 105 | - | 7 |
| 25 | 160 | 115 | 85 | 65 | 16 | 2 | 4-ф14 | 115 | 110 | 9 |
| 32 | 190 | 135 | 100 | 78 | 18 | 2 | 4-ф18 | 120 | 120 | 10 |
| 40 | 200 | 145 | 110 | 85 | 18 | 3 | 4-ф18 | 140 | 135 | 15 |
| 50 | 230 | 160 | 125 | 100 | 20 | 3 | 4-ф18 | 150 | 150 | 20 |
| 65 | 290 | 180 | 145 | 120 | 22 | 3 | 8-ф18 | 160 | 175 | 25 |
| 80 | 310 | 195 | 160 | 135 | 22 | 3 | 8-ф18 | 175 | 200 | 32 |
| 100 | 350 | 230 | 190 | 160 | 24 | 3 | 8-ф23 | 200 | 230 | 57 |
| 125 | 400 | 270 | 220 | 188 | 28 | 3 | 8-ф25 | 230 | 273 | - |
| 150 | 480 | 300 | 250 | 218 | 30 | 3 | 8-ф25 | 265 | 330 | - |
| 200 | 600 | 360 | 310 | 278 | 34 | 3 | 12-ф25 | 300 | 365 | - |
注:
1.本網頁的法蘭升降式止回閥結構、結構圖、尺寸、參數等主要性能參數,以及安裝尺寸圖、安裝尺寸表均只適用于參考,詳細CAD圖、安裝圖、以及產品說明書請向賽泰閥門營銷人員索取。
2.由于編輯水平有限,錯誤和不妥之處在所難免,真誠希望您批評指正。
法蘭升降式止回閥相關產品
下一頁:微阻緩閉止回閥
返回至本系列目錄:止回閥
上一頁:旋啟式法蘭止回閥