X-100B型旋片式機械真空泵
X-100B型旋片式機械真空泵(簡稱:X-100B旋片真空泵)為旋片式機械真空泵,是抽除一般性氣體或含有少量可凝性蒸汽的氣體(應使用氣鎮裝置)的真空抽氣之一。 本型泵適用于真空干燥、真空浸漬、醫療、化工、玻璃樹脂以及其它真空作業。它可單獨使用,也可作為增壓泵、擴散泵的前級泵使用,但不適用于自一容器抽至另一容器作輸送泵用。當抽除含氧過高的、有爆炸性的、對黑色金屬有腐蝕性的、對真空油起化學反應的有水的、有灰埃的等等氣體時,應加附設裝置。

X-100B型旋片式機械真空泵
X-100B旋片真空泵特點
1、X型泵是用來對密封容器抽除氣體獲得真空的基本設備之一。可單獨使用,也可作為增壓泵、擴散泵、分子泵等的前級泵。可用于真空冶煉、真空焊接、真空浸漬、鍍膜、真空澆鑄、真空干燥以及化工制藥,電真空器件等工業的真空作業。
2、泵可在環境溫度5~40℃范圍內和進口壓強小于1330pa的條件下,允許長期連續工作。
3、泵不適用于抽除含氧過高、有毒的、有爆炸性的、對金屬有腐蝕作用的、對泵油起化學反應的,以及含有顆粒塵埃的氣體,也不適用于把氣體從一個容器輸送到另一個容器,作輸送泵用。
4、泵在6000Pa的大氣壓的進口壓強下的連續工作時間不得超過3分鐘,以免噴油或潤滑不良引起泵損壞。
X-100B旋片真空泵型號意義

X-100B旋片真空泵型號意義
X-100B旋片真空泵性能參數表
| 幾何抽速(L/S) | 100 | |
| 極限壓力(Pa) | 1.33 | |
| 泵轉速(r/min) | 450 | |
| 配帶電機 | 功率(KW) | 7.5 |
| 型號 | Y160M-6 | |
| 冷卻水消耗量(L/S) | 350 | |
| 潤滑油 | 牌號 | 1#真空泵油 |
| 儲存量(kg) | 15 | |
| 口徑 | 進氣(mm) | 100 |
| 排氣(mm) | 110 | |
| 體積(長×寬×高) | 1350×830×1070 | |
| 重量(Kg) | 510 | |
注:泵的極限壓力系指壓縮式真空計測得的肥可凝性氣體極限壓力。 抽氣速率與進口壓力曲線
X-100B旋片真空泵工作原理
泵主要由泵體(7)、轉子(9)和旋片(8)等零件所組成(見原理示意圖)。在泵體腔內偏心地裝著轉子,轉子槽中裝兩塊旋片,由于彈簧彈力作用及轉子旋轉所產生的離心力旋片緊巾腔壁,泵體中的進、排氣只被轉子和旋片分隔成兩個部分,轉子在腔內旋轉,周期性地將進氣口部分容積逐漸擴大而吸入氣體,同時逐漸壓縮排氣部分容積,將吸入氣體壓縮從排氣閥(5)排出,因而達到抽氣目的。 結構圖

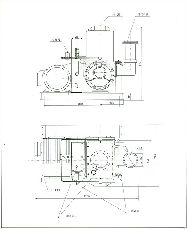
X-100B旋片真空泵外形尺寸圖
X-100B旋片真空泵外型安裝尺寸圖

X-100B旋片真空泵結構圖
主要技術參數:
| 型號 Model |
極限壓力 Ultimate Pressure |
抽氣速率 (L/S) Pumping Speed |
進氣口徑 (mm) Inlet Diam |
配用功率 (kw) Motor Power |
|
| Pa | Torr | ||||
| X-100B | 1.3 | 1×10-2 | 100 | 100 | 7.5 |
注:
1.本網頁的X-100B型旋片式機械真空泵結構、結構圖、尺寸、參數、流量、揚程、電機轉速等主要性能參數,以及安裝尺寸圖、安裝尺寸表均只適用于參考,詳細CAD圖、安裝圖、以及產品說明書請向賽泰水泵營銷人員索取。
2.由于編輯水平有限,錯誤和不妥之處在所難免,真誠希望您批評指正。
X-100B型旋片式機械真空泵相關產品
下一頁:H-150型滑閥式真空泵
返回至本系列目錄:真空泵
上一頁:SKA系列水環式真空泵