PBG型屏蔽式管道離心泵
PBG型屏蔽式管道離心泵(簡稱:PBG屏蔽泵),PBG型屏蔽式管道泵,并吸收了國際上屏蔽泵設計及制造的先進技術,將電機的屏蔽技術應用于流體輸送領域,為適應國內市場需求而較新推出的系列化新產品。
PBG泵系列性能參數基本符合國際標準ISO2858及國家標準JB/T6878.2-93的規定。具有設計規范,通用化程度高,結構合理,性能穩定,運轉低噪音,無振動等顯著特點,是替代常規臥式離心泵,立式管道泵的理想產品。
PBG屏蔽泵全系列共67個品種,184個規格,
其性能范圍:
流量6.3~1080m3/h
揚程12.5~125m
配用電機功率0.37~160KW
轉速1450r/min和2900r/min。

PBG型屏蔽式管道離心泵
PBG屏蔽泵產品特點
1、泵結構緊湊,機泵一體化,體積小。其立式結構具有安裝占地面積小,運行平穩,安裝無需調整。
2、泵進出口設計成規格相同法蘭,且位于同一中心線上,可象閥門一樣直接安裝在管路上,且中心低,便于管道布置,安裝特別方便。
3、泵與電機同軸,軸向尺寸短,使泵運行更加平穩,噪音低。
4、取消傳統軸封方式,避免了輸送介質的外泄,因此具有完全無泄漏的顯著特點。
5、用滑動軸承替代常規電機滾動軸承,使泵具有運行特別平穩,振動噪音極低。
6、安裝檢修方便,無需拆動管路系統,只要拆下連接體螺母即可抽出全部轉子部件進行檢查和維修。
7、可根據使用要求即流量和揚程的需要進行泵的串、并聯運行方式。
PBG屏蔽泵主要特點
1、 PBG型屏蔽泵因能保證完全不泄露,故可輸送對人體和環境、設備有害的及價格昂貴的易泄露的液體。
2、 不會吸入空氣,適于真空系統及輸送與空氣接觸發生變質的液體。
3、 無油封設計,能可靠地輸送一般泵難以輸送的高溫、高壓、低溫及溫度壓力變化大的液體。
4、 軸承利用輸送液體自行潤滑,不需潤滑油,故不污染輸送液體,并免去了定期注油的麻煩。
5、 泵結構合理,電機和泵同軸,體積小,重量輕,占地面積小,運行平穩,安裝方便,無須調整,維修方便。
6、 葉輪采用先進的水力模型,具有效率高,性能好等特點。
7、 電機無冷卻風扇,故運行噪音和振動都非常小。
8、 泵進出口法蘭的規格設計與標準閥門相同,且位于同一中心線上,中心低,便于管道布置,泵房設計也更為合理,實用。
9、 零部件的標準化、系統化程度高。
10、電機及接線盒均采用防水防爆結構,可在戶外安全使用。
11、可根據使用要求,即流量和揚程的需要進行泵的串、并聯運行方式。
12、新采用的石墨軸承,具有耐磨性能高、磨擦系數低、不老化、抗泥沙等優點。
13、電機頂部設有自動排氣閥,當水泵使用時只要打開進水閥門,松開排氣閥邊上的氣嘴,泵體及電機內的空氣就會自動從電機頂部的自動排氣閥內自動排出。排氣后又會自動立刻關閉,不會使介質流出泵外,能確保水泵的正常運行,而且在使用過程中,管路內如有空氣進入,它都能自動將其排出,該功能使泵在使用過程中都無需專人經常去打開閥門排氣,極大的降低了正常使用成本與人力。
14、獨特的便拆式結構使泵在正常的使用維護中,如除水垢、檢查石墨軸承的磨損度時,只需拆開電機殼與電機下端上的連接螺絲,在電機殼的頂出螺絲孔內,頂出電機與定子組件部分,因此維護與定期檢查極為方便。
15、全保型電氣控制箱:該項為選配件,配合電機內預埋的熱保護器、缺水探頭、漏水探頭、可起到屏蔽電機的全方位保護。一、過熱保護,電機溫度超過設定值時會自動停止電機;二、缺水保護,當電機內循環水缺水時不能起動電機,在運行時內部如果缺水就會停止電機,有水時又會自動開啟電機;三、漏水保護,當有水漏進電機內時就會立即斷電停止電機;四、漏電保護,當出現漏電情況時就會立即斷電停止電機。
PBG屏蔽泵主要用途
1、PBG、PBGD型屏蔽泵供輸送清水及物理化學性質類似于清水的其它液體之用,使用介質溫度-30℃―+90℃。特別適用于工業和城市給排水,消防增壓,高層建筑增壓送水,園林噴灌,遠距離輸送,暖通制冷循環,浴室等冷暖水循環增壓及設備配套。
2、PBGR熱水型屏蔽泵供輸送介質溫度較高場合,適用介質溫度-30℃―+160℃。主要適用于能源、冶金、化工、紡織、造紙及賓館、飯店、浴室等部門。
3、PBGH防腐型屏蔽泵供輸送不含固體顆粒,適用于石化、化工、冶金、電力、造紙、食品、制藥、科研院校和合成纖維等部門。
4、PBGN逆循環型屏蔽泵,供輸送也液化氣、易氣化的介質。
PBG屏蔽泵型號意義

PBG屏蔽泵型號意義
PBG屏蔽泵結構說明

PBG屏蔽泵結構說明
PBG型屏蔽泵的結構見圖。該泵又稱電泵為機泵一體結構,整機主要有泵體、葉輪、聯接體、滑動軸承、定子、轉子、屏蔽套、電機殼等零部件組成。泵為立式單級單吸離心式,進出口在同一水平軸線上,進出口徑規格相同可直接像閥門一樣安裝在管路的任何部位上,安裝在管路的任何部位上,安裝極為方便,占地面積省。泵通過聯接體與電機成一體,軸承采用進口石墨浸漬樹脂復合軸承,電機定轉子各有屏蔽套進行封閉隔離。軸承采用泵送液體本身作為潤滑劑及冷卻液,具有設計合理、運行可靠的特點。泵設有底座,可直接安裝在地基上,也可帶聯接板加裝隔振器或隔振墊安裝。
泵的頂部設有自動排氣閥,能起自動排除空氣,但不會漏出介質功能。泵的出水口與電機的上蓋板上連接著循環管,泵啟動后在輸送介質的同時也能將一部分介質經循環管進入電機部分,然后流回進水口,起冷卻電機及潤滑軸承的功能。獨特的便拆式結構使泵在正常的使用維護中,如除水垢、檢查石墨軸承的磨損度時,只需拆開電機殼與電機下端蓋上的連接螺絲,在電機殼的頂出螺絲孔內,頂出電機與定子組件部分,因此維護與定期檢查極為方便。詳見后面安裝方式圖示。
PBG屏蔽泵材質(材質設計也可按用戶需求,特殊配置)
| 序號 | 零件名稱 | 冷熱水 | 腐蝕性流體 |
| 1 | 泵體 | Ht200,Zg25 | 1Cr18Ni9Ti |
| 2 | 上端蓋 | 3Cr13,Ht200,Zg25 | 1Cr18Ni9Ti |
| 3 | 葉輪 | Ht200,Zg25 | 1Cr18Ni9Ti |
| 4 | 下端蓋 | 3Cr13,Ht200,Zg25 | 1Cr18Ni9Ti |
| 5 | 電機殼體 | Ht200,Zg25 | 1Cr18Ni9Ti |
| 6 | 屏蔽套、屏蔽壓盤 | 0Cr17Ni4Mo2 | 0Cr19Ni11 |
| 7 | 軸承 | 石墨浸漬呋喃樹脂 | 石墨浸漬呋喃樹脂 |
| 8 | 軸套、推力盤 | 1Cr18Ni9Ti+鎳基合金 | 1Cr18Ni9Ti,0Cr17rNi14m等+鎳基合金,司太立合鑄等 |
| 9 | 其他接液部 | Ht200,0Cr17Ni4Mo2 | 1Cr18Ni9Ti |
| 10 | 非接液部 | Ht200,20 | Ht200,20 |
PBG屏蔽泵性能參數表I
| 型號 | 流量Q | 揚程 m | 效率 % | 轉速 r/min | 電機功率 KW | 必需汽蝕余量 M | 重量?K | |
| m3/h | l/s | |||||||
| 40-100 | 4.4 6.3 8.3 | 1.22 1.75 2.31 | 13.2 12.5 11.3 | 48 54 53 | 1450 | 0.55 | 3.5 | 32 |
| 40-100A | 3.9 5.6 7.4 | 1.08 1.56 2.06 | 10.6 10 9 | 52 | 1450 | 0.37 | 3.5 | 32 |
| 40-125 | 4.4 6.3 8.3 | 1.22 1.75 2.31 | 21 20 18 | 41 46 43 | 1450 | 1.1 | 34 | |
| 40-125A | 3.9 5.6 7.4 | 1.08 1.56 2.06 | 17.6 16 14.4 | 40 45 41 | 1450 | 0.75 | 3.5 | 33 |
| 40-160 | 4.4 6.3 8.3 | 1.22 1.75 2.31 | 33 32 30 | 35 40 40 | 2900 | 2.2 | 3.5 | 47 |
| 40-160A | 4.1 5.9 7.8 | 1.14 1.64 2.17 | 29 28 26.3 | 34 39 39 | 2900 | 1.5 | 3.5 | 43 |
| 40-160B | 3.7 5.5 7.0 | 1.06 1.53 2.0 | 25.5 24 22.5 | 34 38 37 | 2900 | 1.1 | 3.5 | 38 |
| 40-200 | 4.4 6.3 8.3 | 1.22 1.75 2.31 | 51 50 48 | 26 33 32 | 2900 | 4.0 | 3.5 | 74 |
| 40-200A | 4.1 5.9 7.8 | 1.14 1.64 2.17 | 45 44 42 | 26 31 30 | 2900 | 3.0 | 3.5 | 62 |
| 40-200B | 3.7 5.3 7.0 | 1.05 1.47 1.94 | 38 36 34.5 | 29 | 2900 | 2.2 | 3.5 | 52 |
| 40-250 | 4.4 6.3 8.3 | 1.22 1.75 2.31 | 82 80 74 | 24 28 28 | 2900 | 7.5 | 3.5 | 105 |
| 40-250A | 4.1 5.9 7.8 | 1.14 1.64 2.17 | 72 70 65 | 24 28 27 | 2900 | 5.5 | 3.5 | 98 |
| 40-250B | 3.8 5.5 7.2 | 1.06 1.53 1.94 | 61.5 60 56 | 23 27 26 | 2900 | 4.0 | 3.5 | 77 |
| 40-100(Ⅰ) | 8.8 12.5 16.3 | 2.44 3.47 4.53 | 13.2 12.5 11.3 | 55 62 60 | 1450 | 1.1 | 3.5 | 34 |
| 40-100(Ⅰ)A | 8 11 14.5 | 2.22 3.05 4.03 | 10.6 10 9 | 60 | 1450 | 0.75 | 3.5 | 32 |
| 40-125(Ⅰ) | 8.8 12.5 16.3 | 2.44 3.47 4.53 | 21.2 20 17.8 | 49 58 57 | 1450 | 1.5 | 3.5 | 38 |
| 40-125(Ⅰ)A | 8 11 14.5 | 2.22 3.05 4.03 | 17 16 14 | 57 | 1450 | 1.1 | 3.5 | 33 |
| 40-160(Ⅰ) | 8.8 12.5 16.3 | 2.44 3.47 4.53 | 33 32 30 | 45 52 51 | 2900 | 3.0 | 3.5 | 56 |
| 40-160(Ⅰ)A | 8.2 11.7 15.2 | 2.28 3.25 4.22 | 29 28 26 | 44 51 50 | 2900 | 2.2 | 3.5 | 47 |
| 40-160(Ⅰ)B | 7.3 10.4 13.5 | 2.38 2.89 3.75 | 23 22 20.5 | 50 | 2900 | 1.5 | 3.5 | 43 |
| 40-200(Ⅰ) | 8.8 12.5 16.3 | 2.44 3.47 4.53 | 51.2 50 48 | 38 46 46 | 2900 | 5.5 | 3.5 | 85 |
| 40-200(Ⅰ)A | 8.3 11.7 15.3 | 2.31 3.25 4.25 | 45 44 42 | 37 45 45 | 2900 | 4.0 | 3.5 | 75 |
| 40-200(Ⅰ)B | 7.5 10.6 13.8 | 2.08 2.94 3.83 | 37 36 34 | 44 | 2900 | 3.0 | 3.5 | 63 |
| 40-250(Ⅰ) | 8.8 12.5 16.3 | 2.44 3.47 4.53 | 81.2 80 77.5 | 31 38 40 | 2900 | 11 | 3.5 | 145 |
PBG屏蔽泵性能參數表II
| 型號 | 流量Q | 揚程 m | 效率 % | 轉速 r/min | 電機功率 KW | 必需汽蝕余量 M | 重量?K | |
| m3/h | l/s | |||||||
| 40-250(Ⅰ)A | 8.2 11.6 15.2 | 2.28 3.22 4.22 | 71 70 68 | 38 | 2900 | 7.5 | 3.5 | 95 |
| 40-250(Ⅰ)B | 7.6 10.8 14 | 2.11 3.0 3.89 | 61.4 60 58 | 37 | 2900 | 7.5 | 3.5 | 94 |
| 40-250(Ⅰ)C | 7.1 10.0 13.1 | 1.97 2.78 3.64 | 53.2 52 50.4 | 36 | 2900 | 5.5 | 3.5 | 88 |
| 50-100 | 8.8 12.5 16.3 | 2.44 3.47 4.53 | 13.6 12.5 11.3 | 55 62 60 | 1450 | 1.1 | 3.5 | 36 |
| 50-100A | 8 11 14.5 | 2.22 3.05 4.03 | 11 10 9 | 60 | 1450 | 0.75 | 3.5 | 35 |
| 50-125 | 8.8 12.5 16.3 | 2.44 3.47 4.53 | 21.5 20 17.8 | 49 58 57 | 1450 | 1.5 | 3.5 | 43 |
| 50-125A | 8 11 14.5 | 2.22 3.06 4.03 | 17 16 14 | 57 | 1450 | 1.1 | 3.5 | 38 |
| 50-160 | 8.8 12.5 16.3 | 2.44 3.47 4.53 | 33 32 30 | 45 52 51 | 2900 | 3.0 | 3.5 | 59 |
| 50-160A | 8.2 11.7 15.2 | 2.28 3.25 4.22 | 29 28 26 | 44 51 50 | 2900 | 2.2 | 3.5 | 51 |
| 50-160B | 7.3 10.4 13.5 | 2.03 2.89 3.75 | 23 22 20.5 | 50 | 2900 | 1.5 | 3.5 | 47 |
| 50-200 | 8.8 12.5 16.3 | 2.44 3.47 4.53 | 52 50 48 | 38 46 46 | 2900 | 5.5 | 3.5 | 101 |
| 50-200A | 8.3 11.7 15.3 | 2.31 3.25 4.25 | 45.8 44 42 | 37 45 45 | 2900 | 4.0 | 3.5 | 80 |
| 50-200B | 7.5 10.6 13.8 | 2.08 2.94 3.83 | 37 36 34 | 44 | 2900 | 3.0 | 3.5 | 68 |
| 50-250 | 8.8 12.5 16.3 | 2.44 3.47 4.53 | 82 80 77.5 | 29 38 40 | 2900 | 11 | 3.5 | 160 |
| 50-250A | 8.2 11.6 15.2 | 2.28 3.22 4.22 | 71.5 70 68 | 38 | 2900 | 7.5 | 3.5 | 115 |
| 50-250B | 7.6 10.8 14 | 2.11 3.0 3.89 | 51.4 60 58 | 37 | 2900 | 7.5 | 3.5 | 114 |
| 50-250C | 7.1 10.0 13.1 | 1.97 2.78 3.64 | 53.2 52 50.4 | 36 | 2900 | 5.5 | 3.5 | 108 |
| 50-100(Ⅰ) | 17.5 25 32.5 | 4.86 6.94 9.03 | 13.7 12.5 10.5 | 67 69 69 | 1450 | 1.5 | 3.8 | 41 |
| 50-100(Ⅰ)A | 15.6 22.3 29 | 4.3 6.19 8.1 | 11 10 8.4 | 65 67 68 | 1450 | 1.1 | 3.8 | 36 |
| 50-125(Ⅰ) | 17.5 25 32.5 | 4.86 6.94 9.03 | 21.5 20 18 | 60 68 67 | 1450 | 3.0 | 3.8 | 56 |
| 50-125(Ⅰ)A | 15.6 22.3 29 | 4.33 6.49 8.1 | 17 16 13.6 | 58 66 65 | 1450 | 2.2 | 3.8 | 48 |
| 50-160(Ⅰ) | 17.5 25 32.5 | 4.86 6.94 9.03 | 34.4 32 27.5 | 54 63 60 | 1450 | 4.0 | 3.8 | 72 |
| 50-160(Ⅰ)A | 16.4 23.4 30.4 | 4.56 6.5 8.44 | 30 28 24 | 54 62 59 | 1450 | 4.0 | 3.8 | 71 |
| 50-160(Ⅰ)B | 15.0 21.6 28 | 4.17 6.0 7.78 | 26 24 20.6 | 58 | 1450 | 3.0 | 3.8 | 59 |
| 50-200(Ⅰ) | 17.5 25 32.5 | 4.86 6.94 9.03 | 52.7 50 45.5 | 49 58 59 | 2900 | 7.5 | 3.8 | 108 |
PBG屏蔽泵的性能參數表III
| 型號 | 流量Q | 揚程 m | 效率 % | 轉速 r/min | 電機功率 KW | 必需汽蝕余量 M | 重量?K | |
| m3/h | l/s | |||||||
| 50-200(Ⅰ)A | 16.4 23.5 30.5 | 4.56 6.53 8.47 | 46.4 44 40 | 48 57 58 | 2900 | 7.5 | 3.8 | 107 |
| 50-200(Ⅰ)B | 15.2 21.8 28.3 | 4.22 6.06 7.86 | 40 38 34.5 | 55 | 2900 | 5.5 | 3.8 | 100 |
| 50-250(Ⅰ) | 17.5 25 32.5 | 4.86 6.94 9.03 | 82 80 76.5 | 39 50 52 | 2900 | 15.0 | 3.8 | 175 |
| 50-250(Ⅰ)A | 16.4 23.4 30.5 | 4.56 6.5 8.47 | 71.5 70 67 | 39 50 52 | 2900 | 11.0 | 3.8 | 165 |
| 50-250(Ⅰ)B | 15 21.6 28 | 4.17 6.0 7.78 | 61 60 57.4 | 38 48 54 | 2900 | 11.0 | 3.8 | 165 |
| 50-315(Ⅰ) | 17.5 25 32.5 | 4.86 6.94 9.03 | 128 125 122 | 30 40 44 | 2900 | 30.0 | 3.8 | 310 |
| 50-315(Ⅰ)A | 16.6 23.7 31 | 4.61 6.58 8.6 | 115 113 110 | 30 40 44 | 2900 | 22.0 | 3.8 | 245 |
| 50-315(Ⅰ)B | 15.7 22.5 29.2 | 4.36 6.25 8.0 | 103 101 98 | 39 | 2900 | 18.5 | 3.8 | 215 |
| 50-315(Ⅰ)C | 14.4 20.6 26.8 | 4.0 5.72 7.44 | 86 85 83 | 38 | 2900 | 15.0 | 3.8 | 195 |
| 65-100 | 17.5 25 32.5 | 4.86 6.94 9.03 | 13.7 12.5 10.5 | 67 69 69 | 1450 | 1.5 | 3.8 | 46 |
| 65-100A | 15.6 22.3 29 | 4.3 6.19 8.1 | 11 10 8.4 | 65 67 68 | 1450 | 1.1 | 3.8 | 41 |
| 65-125 | 17.5 25 32.5 | 4.86 6.94 9.03 | 21.5 20 18 | 60 68 67 | 1450 | 3.0 | 3.8 | 58 |
| 65-125A | 15.6 22.3 29 | 4.33 6.19 8.1 | 17 16 14.4 | 58 66 65 | 1450 | 2.2 | 3.8 | 49 |
| 65-160 | 17.5 25 32.5 | 4.86 6.94 9.03 | 34.4 32 27.5 | 54 63 60 | 1450 | 4.0 | 3.8 | 75 |
| 65-160A | 16.4 23.4 30.4 | 4.56 6.5 8.44 | 30 28 24 | 54 62 59 | 1450 | 4.0 | 3.8 | 75 |
| 65-160B | 15.0 21.6 28 | 4.17 6.0 7.78 | 26 24 20.6 | 58 | 1450 | 3.0 | 3.8 | 63 |
| 65-200 | 17.5 25 32.5 | 4.86 6.94 9.03 | 52.7 50 45.5 | 49 58 59 | 2900 | 7.5 | 3.8 | 107 |
| 65-200A | 16.4 23.5 30.5 | 4.56 6.53 8.47 | 46.4 44 40 | 48 57 58 | 2900 | 7.5 | 3.8 | 107 |
| 65-200B | 15.2 21.8 28.3 | 4.22 6.06 7.86 | 40 38 34.5 | 55 | 2900 | 5.5 | 3.8 | 100 |
| 65-250 | 17.5 235 32.5 | 486 6.94 9.03 | 82 80 76.5 | 39 50 52 | 2900 | 15.0 | 3.8 | 180 |
| 65-250A | 16.4 23.4 30.5 | 4.56 6.5 8.47 | 71.5 70 67 | 39 50 52 | 2900 | 11.0 | 3.8 | 170 |
| 65-250B | 15 21.6 28 | 4.17 6.0 7.78 | 61 60 57.4 | 38 49 54 | 2900 | 11.0 | 3.8 | 170 |
| 65-315 | 17.5 25 32.5 | 4.86 6.94 9.03 | 127 125 122 | 32 40 44 | 2900 | 30.0 | 3.8 | 320 |
| 65-315A | 16.6 23.7 31 | 4.61 6.58 8.6 | 115 113 110 | 32 40 44 | 2900 | 22.0 | 3.8 | 255 |
| 65-315B | 15.7 22.5 29.2 | 4.36 6.25 8.0 | 103 101 98 | 39 | 2900 | 18.5 | 3.8 | 225 |
PBG屏蔽泵性能參數表IV
| 型號 | 流量Q | 揚程 m | 效率 % | 轉速 r/min | 電機功率 KW | 必需汽蝕余量 M | 重量?K | |
| m3/h | l/s | |||||||
| 65-315C | 14.4 20.6 26.8 | 4.0 5.72 7.44 | 86 85 83 | 38 | 2900 | 15.0 | 3.8 | 205 |
| 65-100(Ⅰ) | 35 50 65 | 9.72 13.9 18.1 | 13.8 12.5 10 | 67 73 70 | 1450 | 3.0 | 4.2 | 63 |
| 65-100(Ⅰ)A | 31.3 44.7 58 | 8.7 12.5 16.1 | 11 10 8 | 66 72 69 | 1450 | 2.2 | 4.2 | 53 |
| 65-125(Ⅰ) | 35 50 65 | 9.72 13.9 18.1 | 22 20 17 | 67 72.5 70 | 1450 | 5.5 | 4.2 | 99 |
| 65-125(Ⅰ)A | 31.3 45 58 | 8.7 12.5 16.1 | 17.5 16 13.6 | 66 71 69 | 1450 | 4.0 | 4.2 | 78 |
| 65-160(Ⅰ) | 35 50 65 | 9.72 13.9 18.1 | 35 32 28 | 63 71 70 | 1450 | 7.5 | 4.2 | 103 |
| 65-160(Ⅰ)A | 32.7 46.7 61 | 9.1 13.0 16.9 | 30.6 28 24 | 62 70 69 | 1450 | 7.5 | 4.2 | 103 |
| 65-160(Ⅰ)B | 30.3 43.3 56.3 | 8.4 12.0 15.6 | 26 24 21 | 69 | 1450 | 5.5 | 4.2 | 97 |
| 65-200(Ⅰ) | 35 50 65 | 9.72 13.9 18.1 | 53.5 50 46 | 55 67 68 | 2900 | 15.0 | 4.2 | 176 |
| 65-200(Ⅰ)A | 32.8 47 61 | 9.1 13.1 16.9 | 47 44 40 | 54 66 57 | 2900 | 11.0 | 4.2 | 166 |
| 65-200(Ⅰ)B | 30.5 43.5 56.6 | 8.5 12.1 15.7 | 40.6 38 33.4 | 65 | 2900 | 7.5 | 4.2 | 114 |
| 65-250(Ⅰ) | 35 50 65 | 9.72 13.9 18.1 | 83 80 72 | 52 59 60 | 2900 | 22.0 | 4.2 | 235 |
| 65-250(Ⅰ)A | 32.5 46.7 61 | 9.0 13.0 16.9 | 73 70 63 | 52 59 60 | 2900 | 18.5 | 4.2 | 205 |
| 65-250(Ⅰ)B | 30 43.3 56 | 8.3 12.0 15.0 | 62 60 54 | 58 | 2900 | 15.0 | 4.2 | 180 |
| 65-315(Ⅰ) | 35 50 65 | 9.72 13.9 18.1 | 128 125 121 | 44 54 57 | 2900 | 37.0 | 4.2 | 350 |
| 65-315(Ⅰ)A | 32.5 46.5 60.5 | 9.0 12.9 16.8 | 112.6 110 106.4 | 43 54 57 | 2900 | 30.0 | 4.2 | 355 |
| 65-315(Ⅰ)B | 31 44.5 58 | 8.6 12.4 16.1 | 102.5 100 98 | 53 | 2900 | 30.0 | 4.2 | 335 |
| 65-315(Ⅰ)C | 29 41 53.6 | 8.1 11.4 14.9 | 87 85 83 | 51 | 2900 | 22.0 | 4.2 | 270 |
| 80-100 | 35 50 65 | 9.72 13.9 18.1 | 13.8 12.5 10 | 67 73 70 | 1450 | 3.0 | 4.2 | 63 |
| 80-100A | 31.3 44.7 58 | 8.7 12.4 16.1 | 11 10 8 | 66 72 69 | 1450 | 2.2 | 4.2 | 54 |
| 80-125 | 35 50 65 | 9.72 13.9 18.1 | 22 20 17 | 67 72.5 70 | 1450 | 5.5 | 4.2 | 99 |
| 80-125A | 31.3 45 58 | 8.7 12.4 16.4 | 17.5 16 13.6 | 66 71 69 | 1450 | 4.0 | 4.2 | 79 |
| 80-160 | 35 50 65 | 9.72 13.9 18.1 | 35 32 28 | 63 71 70 | 1450 | 7.5 | 4.2 | 105 |
| 80-160A | 32.7 46.7 61 | 9.1 13.0 165.9 | 30.6 28 24 | 62 70 69 | 1450 | 7.5 | 4.2 | 105 |
| 80-160B | 30.3 43.3 56.3 | 8.4 12.0 15.6 | 26 24 21 | 69 | 1450 | 5.5 | 4.2 | 98 |
PBG屏蔽泵性能參數表V
| 型號 | 流量Q | 揚程 m | 效率 % | 轉速 r/min | 電機功率 KW | 必需汽蝕余量 M | 重量?K | |
| m3/h | l/s | |||||||
| 80-200 | 35 50 65 | 9.72 13.9 18.1 | 53.5 50 46 | 55 67 68 | 2900 | 15.0 | 4.2 | 175 |
| 80-200A | 32.8 47 61 | 9.1 13.1 16.9 | 47 44 40 | 54 66 67 | 2900 | 11.0 | 4.2 | 165 |
| 80-200B | 50.5 43.5 56.6 | 8.5 12.1 15.7 | 40.5 38 33.4 | 65 | 2900 | 7.5 | 4.2 | 115 |
| 80-250 | 35 50 65 | 9.72 13.9 18.1 | 83 80 72 | 52 59 60 | 2900 | 22.0 | 4.2 | 240 |
| 80-250A | 32.5 46.7 61 | 9.0 13.0 16.9 | 73 70 63 | 52 59 60 | 2900 | 18.5 | 4.2 | 210 |
| 80-250B | 30 43.3 56 | 8.3 12.0 15.6 | 62 60 54 | 58 | 2900 | 15.0 | 4.2 | 185 |
| 80-315 | 35 50 65 | 9.72 13.9 18.1 | 128 125 122 | 43 54 57 | 2900 | 37.0 | 4.2 | 355 |
| 80-315A | 32.5 46.5 60.5 | 9.0 12.9 16.8 | 112.6 110 107.4 | 43 54 57 | 2900 | 30.0 | 4.2 | 340 |
| 80-315B | 31 44.5 58 | 8.6 12.4 16.1 | 102.5 100 98 | 53 | 2900 | 30.0 | 4.2 | 340 |
| 80-315C | 29 41 53.6 | 8.1 11.4 14.9 | 98 85 83 | 51 | 2900 | 22.0 | 4.2 | 275 |
| 80-100(Ⅰ) | 70 100 130 | 19.4 27.8 36.1 | 13.6 12.5 11 | 66 76 75 | 1450 | 5.5 | 5.5 | 108 |
| 80-100(Ⅰ)A | 62.6 89 116 | 17.4 24.7 32.2 | 11 10 8.8 | 64 74 74 | 1450 | 4.0 | 5.5 | 87 |
| 80-125(Ⅰ) | 70 100 130 | 19.4 27.8 36.1 | 23.5 20 14 | 70 76 65 | 1450 | 11.0 | 4.2 | 163 |
| 80-125(Ⅰ)A | 62.6 89 116 | 17.4 24.7 32.2 | 19 16 11 | 68 74 63 | 1450 | 7.5 | 4.2 | 113 |
| 80-160(Ⅰ) | 70 100 130 | 19.4 27.8 36.1 | 36.5 32 24 | 70 76 65 | 1450 | 15.0 | 4.2 | 184 |
| 80-160(Ⅰ)A | 65.4 93.5 121.6 | 18.2 26.0 33.8 | 32 28 21 | 68 74 67 | 1450 | 11.0 | 5.5 | 174 |
| 80-160(Ⅰ)B | 60.6 86.6 112.5 | 16.8 24.1 31.3 | 27 24 18 | 72 | 1450 | 11.0 | 5.5 | 174 |
| 80-200(Ⅰ) | 70 100 130 | 19.4 27.8 36.1 | 54 50 42 | 65 74 73 | 1450 | 22.0 | 5.5 | 251 |
| 80-200(Ⅰ)A | 65.4 93.5 121.6 | 18.2 26.0 33.8 | 47.5 44 37 | 64 73 72 | 1450 | 18.5 | 5.5 | 220 |
| 80-200(Ⅰ)B | 61 87 112 | 16.9 24.2 31.4 | 41 38 32 | 71 | 1450 | 15.0 | 5.5 | 198 |
| 100-100 | 70 100 130 | 19.4 27.8 36.1 | 13.6 12.5 11 | 66 76 75 | 1450 | 5.5 | 5.5 | 113 |
| 100-100A | 62.6 89 116 | 17.4 24.7 32.2 | 11 10 8.8 | 64 74 74 | 1450 | 4.0 | 5.5 | 91 |
| 100-125 | 70 100 130 | 19.4 27.8 36.4 | 23.5 20 14 | 70 76 65 | 1450 | 11.0 | 5.5 | 169 |
| 100-125A | 62.6 89 116 | 17.4 24.7 32.2 | 19 16 11 | 68 74 63 | 1450 | 7.5 | 5.5 | 118 |
| 100-160 | 70 100 130 | 19.4 27.8 36.1 | 36.5 32 24 | 70 76 65 | 1450 | 15.0 | 5.5 | 191 |
PBG屏蔽泵性能參數表VI
| 型號 | 流量Q | 揚程 m | 效率 % | 轉速 r/min | 電機功率 KW | 必需汽蝕余量 M | 重量?K | |
| m3/h | l/s | |||||||
| 100-160A | 65.4 93.5 121.6 | 18.2 26.0 33.8 | 32 28 21 | 68 74 67 | 1450 | 11.0 | 5.5 | 181 |
| 100-160B | 60.6 86.6 112.5 | 16.8 24.1 31.3 | 27 24 18 | 72 | 1450 | 11.0 | 5.5 | 181 |
| 100-200 | 70 100 130 | 19.4 27.8 36.1 | 54 50 42 | 65 74 73 | 1450 | 22.0 | 5.5 | 245 |
| 100-200A | 65.4 93.5 121.6 | 18.2 26.0 33.8 | 47.5 44 37 | 64 73 72 | 1450 | 18.5 | 5.5 | 215 |
| 100-200B | 61 87 113 | 16.9 24.2 31.4 | 41 38 32 | 71 | 1450 | 15.0 | 5.5 | 193 |
| 125-100 | 96 160 192 | 26.7 44.4 53.3 | 13 12.5 12 | 82 | 1450 | 11.0 | 5.5 | 180 |
| 125-100A | 86 143 172 | 23.9 39.7 47.8 | 10.4 10 9.6 | 77 | 1450 | 7.5 | 5.5 | 125 |
| 125-125 | 96 160 192 | 26.7 44.4 53.3 | 22.6 20 17 | 80 | 1450 | 15.0 | 5.5 | 220 |
| 125-125A | 86 143 172 | 23.9 39.7 47.8 | 18 16 13.6 | 77 | 1450 | 11.0 | 5.5 | 210 |
| 125-160 | 96 160 192 | 26.7 44.4 53.3 | 36 32 28 | 78 | 1450 | 22.0 | 5.5 | 265 |
| 125-160A | 90 150 180 | 25 41.7 50 | 31.5 28 24.5 | 76 | 1450 | 18.5 | 5.5 | 230 |
| 125-160B | 83 138 166 | 21.7 38.3 46.1 | 27 24 21 | 73 | 1450 | 15.0 | 5.5 | 215 |
| 125-200 | 96 160 192 | 26.7 44.4 53.3 | 55 50 46 | 77 | 1450 | 37.0 | 5.5 | 395 |
| 125-200A | 90 150 180 | 25 41.7 50 | 48.5 44 40.4 | 76 | 1450 | 30.0 | 5.5 | 380 |
| 125-200B | 83 138 166 | 21.7 38.3 46.1 | 41.3 37.5 34.5 | 75 | 1450 | 22.0 | 5.5 | 320 |
| 150-200 | 140 200 260 | 38.9 55.6 72.2 | 13.8 12.5 10.5 | 68 78 78 | 1450 | 15.0 | 5.0 | 265 |
| 150-200A | 125 179 232.5 | 34.7 49.7 64.6 | 11 10 8.5 | 66 76 76 | 1450 | 11.0 | 5.0 | 244 |
| 150-250 | 140 200 260 | 38.9 55.6 72.2 | 21.8 20 17 | 73 79 77 | 1450 | 18.5 | 5.0 | 300 |
| 150-250A | 129 184.4 240 | 35.8 51.0 66.7 | 18.5 17 14.4 | 72 78 76 | 1450 | 15.0 | 5.0 | 262 |
| 150-250B | 117 167 217.5 | 32.5 46.4 60.4 | 15.2 14 12 | 76 | 1450 | 11.0 | 5.0 | 241 |
| 150-315 | 140 200 260 | 38.9 55.6 72.2 | 33.8 32 28 | 70 78 73 | 1450 | 30.0 | 5.5 | 410 |
| 150-315A | 131 187 243 | 36.4 51.9 67.5 | 29.5 28 24.5 | 69 77 77 | 1450 | 22.0 | 5.5 | 335 |
| 150-315B | 121 173 225 | 33.6 48.1 62.5 | 25 24 21 | 76 | 1450 | 18.5 | 5.5 | 315 |
| 150-400 | 140 200 260 | 38.9 55.6 72.2 | 53 50 44 | 68 75 71 | 1450 | 45.0 | 5.5 | 490 |
| 150-400A | 131 187 243 | 36.4 51.9 67.5 | 46.6 44 38.3 | 67 74 70 | 1450 | 37.0 | 5.5 | 454 |
PBG屏蔽泵性能參數表VII
| 型號 | 流量Q | 揚程 m | 效率 % | 轉速 r/min | 電機功率 KW | 必需汽蝕余量 M | 重量?K | |
| m3/h | l/s | |||||||
| 150-400B | 122 174 226.5 | 33.9 48.3 62.9 | 40 38 33 | 73 | 1450 | 30.0 | 5.5 | 435 |
| 150-400C | 112 160 208 | 31.1 44.4 57.8 | 34 32 28 | 71 | 1450 | 22.0 | 5.5 | 365 |
| 200-200 | 140 200 260 | 38.9 55.6 72.2 | 13.8 12.5 10.6 | 68 78 78 | 1450 | 15.0 | 5.0 | 265 |
| 200-200A | 125 179 232.5 | 34.7 49.7 64.6 | 11 10 8.5 | 66 76 76 | 1450 | 11.0 | 5.0 | 244 |
| 200-250 | 140 200 260 | 38.9 55.6 72.2 | 21.8 20 17 | 73 79 77 | 1450 | 18.5 | 5.0 | 305 |
| 200-250A | 129 184.4 240 | 35.8 51.2 66.7 | 18.5 17 14.4 | 72 78 76 | 1450 | 15.0 | 5.0 | 267 |
| 200-250B | 117 167 217.5 | 32.5 46.4 60.4 | 15.2 14 12 | 76 | 1450 | 11.0 | 5.0 | 246 |
| 200-315 | 140 200 260 | 38.9 55.6 72.2 | 33.8 32 28 | 70 78 78 | 1450 | 30.0 | 5.5 | 417 |
| 200-315A | 131 187 243 | 36.4 51.9 67.5 | 29.5 28 24.5 | 69 77 77 | 1450 | 22.0 | 5.5 | 342 |
| 200-315B | 121 173 225 | 33.6 48.1 62.5 | 25 24 21 | 76 | 1450 | 18.5 | 5.5 | 322 |
| 200-400 | 140 200 260 | 38.9 55.6 72.2 | 53 50 44 | 68 75 71 | 1450 | 45.0 | 5.5 | 498 |
| 200-400A | 131 187 243 | 36.4 51.9 67.5 | 46.6 44 38.3 | 67 74 70 | 1450 | 37.0 | 5.5 | 462 |
| 200-400B | 122 174 226.5 | 33.9 48.3 62.9 | 40 38 33 | 73 | 1450 | 30.0 | 5.5 | 443 |
| 200-400C | 112 160 208 | 31.3 44.4 57.8 | 34 32 28 | 71 | 1450 | 22.0 | 5.5 | 373 |
| 200-200(Ⅰ) | 208 400 520 | 77.8 111.1 144 | 13.4 12.5 10.5 | 70 80 79 | 1450 | 22.0 | 5.5 | 382 |
| 200-200(Ⅰ)A | 250 358 465 | 69.4 99.4 129.2 | 10.7 10 8.5 | 68 78 77 | 1450 | 18.5 | 5.5 | 364 |
| 200-250(Ⅰ) | 280 400 520 | 77.8 111.1 144 | 22.2 20 14 | 75 80 72 | 1450 | 30.0 | 5.5 | 475 |
| 200-250(Ⅰ)A | 250 358 465 | 69.4 99.4 129.2 | 18 16 11.2 | 73 78 70 | 1450 | 22.0 | 5.5 | 405 |
| 200-250(Ⅰ)B | 226 322 419 | 62.8 89.4 116.4 | 14.4 13 7.3 | 70 75 67 | 1450 | 18.5 | 5.5 | 387 |
| 200-315(Ⅰ) | 280 400 520 | 77.8 111.4 144 | 36 32 26 | 73 80 75 | 1450 | 55.0 | 5.5 | 675 |
| 200-315(Ⅰ)A | 262 374 486 | 72.8 103.9 135 | 31.5 28 23 | 72 79 74 | 1450 | 45.0 | 5.5 | 560 |
| 200-315(Ⅰ)B | 242 346 450 | 242 346 450 | 27 247 19.5 | 78 | 1450 | 37.0 | 5.5 | 535 |
| 200-400(Ⅰ) | 280 400 520 | 280 400 520 | 54.5 50 39 | 75 81 77 | 1450 | 75.0 | 5.5 | 830 |
| 200-400(Ⅰ)A | 262 374 486 | 262 374 486 | 48 44 34 | 80 | 1450 | 75.0 | 5.5 | 830 |
| 200-400(Ⅰ)B | 242 346 450 | 242 346 450 | 41.4 30 29.6 | 78 | 1450 | 55.0 | 5.5 | 685 |
PBG屏蔽泵性能參數表IIX
| 型號 | 流量Q | 揚程 m | 效率 % | 轉速 r/min | 電機功率 KW | 必需汽蝕余量 M | 重量?K | |
| m3/h | l/s | |||||||
| 200-400(Ⅰ)C | 224 320 416 | 224 320 416 | 34.9 32 25 | 76 | 1450 | 45.0 | 5.5 | 580 |
| 300-235 | 480 720 900 | 480 720 900 | 20 18 15.5 | 77 81 74 | 970 | 55.0 | 6.0 | 1120 |
| 300-235A | 438 657 821 | 438 547 821 | 16.5 15 13 | 75 79 72 | 970 | 45.0 | 6.0 | 1030 |
| 300-235B | 400 600 750 | 400 600 750 | 14 12.5 11 | 73 77 70 | 970 | 37.0 | 6.0 | 890 |
| 300-300 | 480 720 900 | 480 720 900 | 31 28 25 | 77 81 77 | 970 | 75.0 | 6.0 | 1350 |
| 300-300A | 444 666 833 | 444 666 833 | 26.5 24 21.5 | 76 80 76 | 970 | 75.0 | 6.0 | 1350 |
| 300-300B | 415 623 779 | 415 623 779 | 23 21 18.2 | 79 | 970 | 55.0 | 6.0 | 1170 |
| 300-380 | 480 720 900 | 133.3 200 250 | 48 44 34 | 84 | 970 | 132.0 | 6.0 | 1900 |
| 300-380A | 444 666 833 | 12.3 185 231.1 | 41.4 38 30 | 80 | 970 | 110.0 | 6.0 | 1700 |
| 300-380B | 409 614 767 | 113.6 170.6 213.4 | 35 32 25 | 780 | 970 | 90.0 | 6.0 | 1530 |
| 300-235(Ⅰ) | 718 1080 1345 | 199.4 300 373.6 | 44.6 40 34.6 | 82 | 970 | 160.0 | 6.0 | 1680 |
| 300-235(Ⅰ)A | 642 965 1203 | 178.3 268.1 334.2 | 35.7 32 27.7 | 80 | 970 | 132.0 | 6.0 | 1440 |
說明:
1、 切割型:即A型、B型、C型,其安裝尺寸L、A、C2×B2及進出口法蘭尺寸均同等于基本型。
2、 外形尺寸H、B將根據配用電機功率變化有所變化。
3、 個別規格實際尺寸有可能會有所變動。
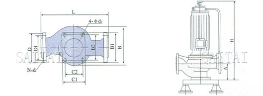
PBG屏蔽泵外形及安裝尺寸表 I

PBG屏蔽泵外形及安裝尺寸表 I
注:
1、切割型:即A型、B型、C型,其安裝尺寸L、A、C2×B2及進出口法蘭尺寸與基本型一致。
2、外形尺寸H,將根據配用電機功率有所變化。
3、隨著本公司技術的進步,個別規格尺寸有可能會有所變動,本公司保留修改的權利,如有變動,怒不另行通知。
| 序號 | 型號 | 外形尺寸 | 安裝尺寸 | 安裝尺寸 | ||||||
| L | B | C1×B1 | A | C2×B2 | 4-d1 | D | D1 | N-d | ||
| 1 | PBG20-110 | 260 | 230 | 80×110 | 55 | 50×80 | 4-ф12 | G3/4 | / | / |
| 2 | PBG20-160 | 300 | 230 | 90×130 | 65 | 60×100 | 4-ф14 | G3/4 | / | / |
| 3 | PBG25-110 | 260 | 230 | 80×110 | 60 | 50×80 | 4-ф14 | ф115 | ф85 | 4-ф14 |
| 4 | PBG25-125 | 260 | 230 | 80×110 | 75 | 50×80 | 4-ф14 | ф115 | ф85 | 4-ф14 |
| 5 | PBG25-160 | 300 | 270 | 90×130 | 65 | 60×100 | 4-ф14 | ф115 | ф85 | 4-ф14 |
| 6 | PBG32-125 | 260 | 230 | 90×130 | 72 | 60×100 | 4-ф14 | ф140 | ф100 | 4-ф18 |
| 7 | PBG40-100 | 260 | 230 | 100×150 | 85 | 70×120 | 4-ф14 | ф150 | ф110 | 4-ф18 |
| 8 | PBG40-125 | 280 | 230 | 100×150 | 85 | 70×120 | 4-ф14 | ф150 | ф110 | 4-ф18 |
| 9 | PBG40-160 | 320 | 270 | 100×150 | 90 | 70×120 | 4-ф14 | ф150 | ф110 | 4-ф18 |
| 10 | PBG40-200 | 340 | 330 | 120×170 | 95 | 80×130 | 4-ф14 | ф150 | ф110 | 4-ф18 |
| 11 | PBG40-250 | 400 | 405 | 120×170 | 95 | 80×130 | 4-ф14 | ф150 | ф110 | 4-ф18 |
| 12 | PBG40-100(I) | 300 | 230 | 120×170 | 90 | 80×130 | 4-ф14 | ф150 | ф110 | 4-ф18 |
| 13 | PBG40-125(I) | 300 | 240 | 120×170 | 90 | 80×130 | 4-ф14 | ф150 | ф110 | 4-ф18 |
| 14 | PBG40-160(I) | 340 | 300 | 120×170 | 95 | 80×130 | 4-ф14 | ф150 | ф110 | 4-ф18 |
| 15 | PBG40-200(I) | 360 | 350 | 120×170 | 95 | 80×130 | 4-ф14 | ф150 | ф110 | 4-ф18 |
| 16 | PBG40-250(I) | 440 | 430 | 140×200 | 105 | 100×160 | 4-ф18 | ф150 | ф110 | 4-ф18 |
| 17 | PBG50-100 | 290 | 230 | 100×150 | 95 | 70×120 | 4-ф14 | ф165 | ф125 | 4-ф18 |
| 18 | PBG50-125 | 300 | 240 | 100×150 | 95 | 70×120 | 4-ф14 | ф165 | ф125 | 4-ф18 |
| 19 | PBG50-160 | 320 | 300 | 120×170 | 100 | 80×130 | 4-ф14 | ф165 | ф125 | 4-ф18 |
| 20 | PBG50-200 | 360 | 350 | 120×170 | 100 | 80×130 | 4-ф14 | ф165 | ф125 | 4-ф18 |
| 21 | PBG50-250 | 440 | 430 | 140×200 | 105 | 100×160 | 4-ф18 | ф165 | ф125 | 4-ф18 |
PBG屏蔽泵外形及安裝尺寸表 II
| 序號 | 型號 | 外形尺寸 | 安裝尺寸 | 安裝尺寸 | ||||||
| L | B | C1×B1 | A | C2×B2 | 4-d1 | D | D1 | N-d | ||
| 22 | PBG50-100(I) | 320 | 235 | 140×200 | 105 | 100×160 | 4-ф18 | ф165 | ф125 | 4-ф18 |
| 23 | PBG50-125(I) | 340 | 280 | 140×200 | 95 | 100×160 | 4-ф18 | ф165 | ф125 | 4-ф18 |
| 24 | PBG50-160(I) | 360 | 305 | 140×200 | 100 | 100×160 | 4-ф18 | ф165 | ф125 | 4-ф18 |
| 25 | PBG50-200(I) | 380 | 350 | 140×200 | 105 | 100×160 | 4-ф18 | ф165 | ф125 | 4-ф18 |
| 26 | PBG50-250(I) | 480 | 435 | 160×220 | 110 | 120×180 | 4-ф18 | ф165 | ф125 | 4-ф18 |
| 27 | PBG50-315(I) | 550 | 510 | 190×280 | 110 | 150×240 | 4-ф18 | ф165 | ф125 | 4-ф18 |
| 28 | PBG65-100 | 320 | 235 | 140×200 | 105 | 100×160 | 4-ф18 | ф185 | ф145 | 4-ф18 |
| 29 | PBG65-125 | 340 | 280 | 140×200 | 100 | 100×160 | 4-ф18 | ф185 | ф145 | 4-ф18 |
| 30 | PBG65-160 | 360 | 305 | 140×200 | 100 | 100×160 | 4-ф18 | ф185 | ф145 | 4-ф18 |
| 31 | PBG65-200 | 380 | 350 | 140×200 | 105 | 100×160 | 4-ф18 | ф185 | ф145 | 4-ф18 |
| 32 | PBG65-250 | 480 | 435 | 160×220 | 110 | 120×180 | 4-ф18 | ф185 | ф145 | 4-ф18 |
| 33 | PBG65-315 | 550 | 510 | 190×280 | 110 | 150×240 | 4-ф18 | ф185 | ф145 | 4-ф18 |
| 34 | PBG65-100(I) | 400 | 285 | 140×200 | 120 | 100×160 | 4-ф18 | ф185 | ф145 | 4-ф18 |
| 35 | PBG65-125(I) | 400 | 360 | 140×200 | 120 | 100×160 | 4-ф18 | ф185 | ф145 | 4-ф18 |
| 36 | PBG65-160(I) | 400 | 360 | 140×200 | 125 | 100×160 | 4-ф18 | ф185 | ф145 | 4-ф18 |
| 37 | PBG65-200(I) | 450 | 430 | 140×200 | 125 | 100×160 | 4-ф18 | ф185 | ф145 | 4-ф18 |
| 38 | PBG65-250(I) | 480 | 465 | 160×220 | 130 | 120×180 | 4-ф18 | ф185 | ф145 | 4-ф18 |
| 39 | PBG65-315(I) | 550 | 530 | 190×280 | 130 | 150×240 | 4-ф18 | ф185 | ф145 | 4-ф18 |
| 40 | PBG80-100 | 400 | 285 | 140×200 | 120 | 100×160 | 4-ф18 | ф200 | ф160 | 8-ф18 |
| 40 | PBG80-125 | 400 | 360 | 140×200 | 120 | 100×160 | 4-ф18 | ф200 | ф160 | 8-ф18 |
| 42 | PBG80-160 | 400 | 360 | 140×200 | 125 | 100×160 | 4-ф18 | ф200 | ф160 | 8-ф18 |
| 43 | PBG80-200 | 430 | 430 | 140×200 | 125 | 100×160 | 4-ф18 | ф200 | ф160 | 8-ф18 |
| 44 | PBG80-250 | 480 | 465 | 160×220 | 130 | 120×180 | 4-ф18 | ф200 | ф160 | 8-ф18 |
| 45 | PBG80-315 | 580 | 530 | 190×280 | 130 | 150×240 | 4-ф18 | ф200 | ф160 | 8-ф18 |
| 46 | PBG80-100(I) | 460 | 360 | 160×220 | 140 | 120×180 | 4-ф18 | ф200 | ф160 | 8-ф18 |
| 47 | PBG80-125(I) | 450 | 430 | 160×220 | 140 | 120×180 | 4-ф18 | ф200 | ф160 | 8-ф18 |
| 48 | PBG80-160(I) | 500 | 430 | 160×220 | 160 | 120×180 | 4-ф18 | ф200 | ф160 | 8-ф18 |
| 49 | PBG80-200(I) | 480 | 475 | 160×220 | 135 | 120×180 | 4-ф18 | ф200 | ф160 | 8-ф18 |
| 50 | PBG80-250(I) | 550 | 520 | 190×280 | 155 | 150×240 | 4-ф22 | ф200 | ф160 | 8-ф18 |
PBG屏蔽泵外形及安裝尺寸表 III
| 序號 | 型號 | 外形尺寸 | 安裝尺寸 | 安裝尺寸 | ||||||
| L | B | C1×B1 | A | C2×B2 | 4-d1 | D | D1 | N-d | ||
| 51 | PBG100-100 | 460 | 360 | 160×220 | 140 | 120×180 | 4-ф18 | ф220 | ф180 | 8-ф18 |
| 52 | PBG100-125 | 440 | 430 | 160×220 | 140 | 120×180 | 4-ф18 | ф220 | ф180 | 8-ф18 |
| 53 | PBG100-160 | 500 | 430 | 160×220 | 160 | 120×180 | 4-ф18 | ф220 | ф180 | 8-ф18 |
| 54 | PBG100-200 | 480 | 475 | 160×220 | 140 | 120×180 | 4-ф18 | ф220 | ф180 | 8-ф18 |
| 55 | PBG100-250 | 550 | 520 | 160×220 | 155 | 120×180 | 4-ф22 | ф220 | ф180 | 8-ф18 |
| 56 | PBG100-100(I) | 460 | 415 | 160×220 | 140 | 120×180 | 4-ф18 | ф220 | ф180 | 8-ф18 |
| 57 | PBG100-125(I) | 500 | 300 | 160×220 | 160 | 120×180 | 4-ф18 | ф220 | ф180 | 8-ф18 |
| 58 | PBG100-160(I) | 480 | 330 | 160×220 | 170 | 120×180 | 4-ф18 | ф220 | ф180 | 8-ф18 |
| 59 | PBG100-200(I) | 560 | 365 | 160×220 | 165 | 120×180 | 4-ф18 | ф220 | ф180 | 8-ф18 |
| 60 | PBG125-100 | 520 | 430 | 160×200 | 165 | 120×180 | 4-ф18 | ф250 | ф210 | 8-ф18 |
| 61 | PBG125-125 | 520 | 430 | 160×220 | 170 | 120×180 | 4-ф18 | ф250 | ф210 | 8-ф18 |
| 62 | PBG125-160 | 520 | 460 | 190×280 | 175 | 150×240 | 4-ф18 | ф250 | ф210 | 8-ф18 |
| 63 | PBG125-200 | 680 | 510 | 200×260 | 175 | 160×220 | 4-ф18 | ф250 | ф210 | 8-ф18 |
| 64 | PBG150-125 | 520 | 430 | 160×220 | 170 | 120×180 | 4-ф18 | ф250 | ф210 | 8-ф18 |
| 65 | PBG150-160 | 520 | 430 | 190×280 | 175 | 150×240 | 4-ф18 | ф250 | ф210 | 8-ф18 |
PBG屏蔽泵外形及安裝尺寸表 IV
| 66 | PBGD65-200 | 520 | 390 | 190×280 | 110 | 150×240 | 4-ф18 | ф165 | ф125 | 4-ф18 |
| 67 | PBGD65-250 | 480 | 335 | 160×220 | 110 | 120×180 | 4-ф18 | ф185 | ф145 | 4-ф18 |
| 68 | PBGD65-315 | 550 | 410 | 190×280 | 110 | 150×240 | 4-ф18 | ф185 | ф145 | 4-ф18 |
| 69 | PBGD80-200 | 430 | 330 | 140×200 | 125 | 100×160 | 4-ф18 | ф200 | ф160 | 8-ф18 |
| 70 | PBGD80-250 | 480 | 365 | 160×220 | 130 | 120×180 | 4-ф18 | ф200 | ф160 | 8-ф18 |
| 71 | PBGD80-315 | 580 | 430 | 190×280 | 130 | 150×240 | 4-ф18 | ф200 | ф160 | 8-ф18 |
| 72 | PBGD80-400 | 720 | 580 | 260×320 | 165 | 210×260 | 4-ф18 | ф200 | ф160 | 8-ф18 |
| 73 | PBGD100-200 | 480 | 375 | 160×220 | 140 | 120×180 | 4-ф18 | ф220 | ф180 | 8-ф18 |
| 74 | PBGD100-250 | 550 | 420 | 160×220 | 155 | 120×180 | 4-ф22 | ф220 | ф180 | 8-ф18 |
| 75 | PBGD100-315 | 630 | 520 | 250×300 | 165 | 210×260 | 4-ф22 | ф220 | ф180 | 8-ф18 |
| 76 | PBGD100-400 | 720 | 580 | 260×320 | 165 | 210×260 | 4-ф22 | ф220 | ф180 | 8-ф18 |
| 77 | PBGD125-200 | 680 | 410 | 200×260 | 175 | 160×220 | 4-ф18 | ф250 | ф210 | 8-ф18 |
| 78 | PBGD125-250 | 680 | 560 | 200×260 | 170 | 160×220 | 4-ф22 | ф250 | ф210 | 8-ф18 |
PBG屏蔽泵安裝說明
1、 安裝前應檢查機組緊固件有無松動現象,泵體流道內有無異物堵塞,以免水泵運行時損壞葉輪和泵體。
2、 安裝時管路重量不應加在水泵上,應有各自的支承體,以免泵變形影響運行性能和使用壽命。
3、 為了不使雜質進入泵內而堵塞流道影響性能,應在泵進口前面安裝比吸入管截面積大3~4倍的過濾器。
4、 如泵用于輸送熱水液體時,為了不使泵承受管路的熱變形,泵可以不固定底腳螺栓,當管路系統在熱脹冷縮時,使泵與管路同時移動。
5、 為了維修方便和使用安全,在泵的進出口管路應各裝上一直調節閥及在泵進出口附近各安裝一只壓力表,以保證泵在額定范圍內運行,確保泵的正常運行和使用壽命。
PBG屏蔽泵的維護與保養
(一)起動前的準備及檢查:
1、檢查屏蔽電機和起動設備的接地設置是否良好和完整,接線是否正確,接觸是否可靠。
2、對新安裝和長期停用的屏蔽電機,使用前應檢查電機定子繞組對地的絕緣電阻。
3、管路中必須充滿輸送液體,否則將影響電機的使用壽命。
(二)運行中的維護保養:
1、定時記錄電源電壓的變化和電壓的不平衡度。電源電壓過高或過低,三相電壓的不平衡造成電流的不平衡,都可能引起電機的過熱或其它不正常現象。
2、定時記錄電泵的負載電流和不平衡度。電泵發生故障時大多數會反映到定子繞組的電流的劇增,使電機過熱。
3、定時記錄管路中的輸液溫度,以確保實際的輸液溫度低于或等于銘牌上所規定的輸液溫度,避免電泵長期處于超溫狀態下運行,而降低電機的使用壽命。
4、定時記錄電泵進、出口端上的壓力表數值,進口處壓力表的數值不得小于零,出口處的壓力表數與進口處壓力表數的差值,必須符合銘牌上規定的壓力值。
5、電泵在每一次使用前要排氣一次,在長期運行時,必須每星期排一次氣。因泵經長時間運行,水分子在電泵內被高速攪拌和撞擊,同時被輸送的介質帶有一定的溫度,故液體將產生氣化現象,以致石墨軸承處于脫水運行狀態下,即干摩擦。容易損壞軸承,降低軸承使用壽命。
6、注意電泵的氣味,振動和噪聲。電機的繞組因溫度過高就會發出絕緣的焦味。一般的機械故障會反映為振動和噪聲。因此發現異常因立即停電檢查。
7、定時檢查電泵循環液通路,過濾裝置是否有阻塞現象。
8、定期維修測量石墨軸承和軸套之間的間隙,以確保定子屏蔽套與轉子屏蔽套之間間隙均勻,運轉可靠。一般情況以下表為限,如超過表中的規定就應修復或更換。
注:
1.本網頁的PBG型屏蔽式管道離心泵結構、結構圖、尺寸、參數、流量、揚程、電機轉速等主要性能參數,以及安裝尺寸圖、安裝尺寸表均只適用于參考,詳細CAD圖、安裝圖、以及產品說明書請向賽泰水泵營銷人員索取。
2.由于編輯水平有限,錯誤和不妥之處在所難免,真誠希望您批評指正。
PBG型屏蔽式管道離心泵相關產品
下一頁:SG、SGR、SGP型管道離心泵
返回至本系列目錄:管道泵